每天生物

公司新闻Company News

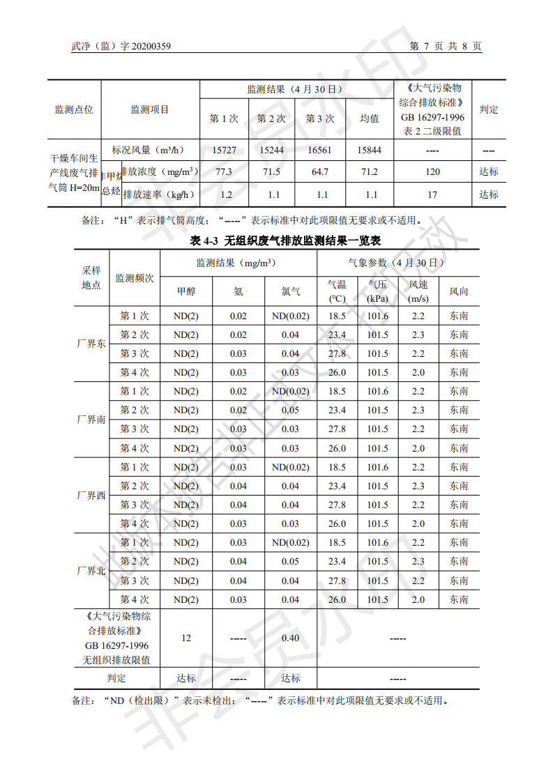
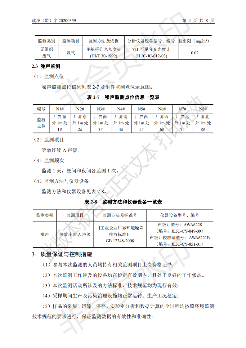
米兰·体育2020年第二季度废水、废气、噪音监测报告

POST TIME:2020-05-20 16:43:39

联系电话:027-87214043 售后:027-87214043传真:0713-6392241 邮编号码:435400 联系地址:中国湖北省武穴市田镇马口工业园区