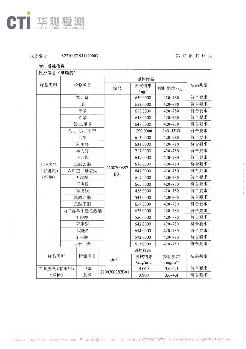
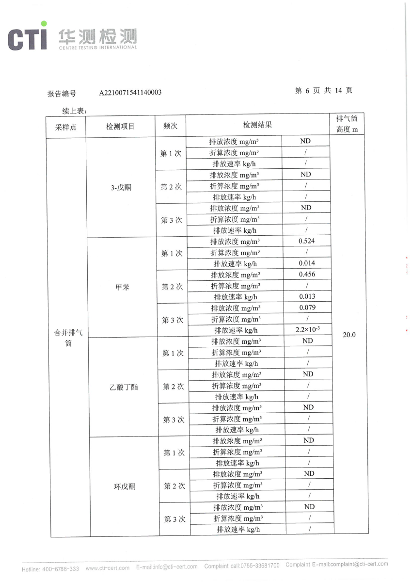
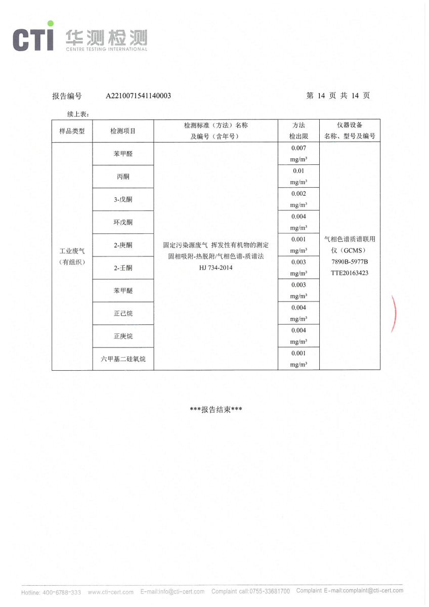
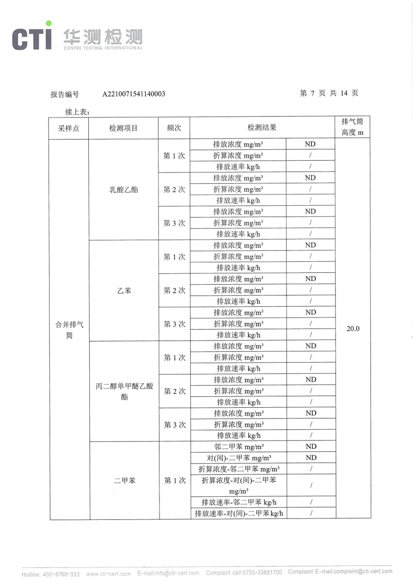
2021年第四季度公司污染源检测报告
2021年第四季度,公司按照国家企业安全生产标准,对公司所排出的污染源,委托第三方进行抽样检测,详细的检测报告如下
米兰·体育 -版权所有© 备案号:18016260号-1
MASTEAM BIO-TECH CO.LTDCOPYRIGHT 2010 ALL RIGHTS RESERVE
联系电话:027-87214043 售后:027-87214043传真:0713-6392241 邮编号码:435400 联系地址:中国湖北省武穴市田镇马口工业园区